

| MODEL | VOLTAGE | NO LOAD | AT MAXIMUM EFFICIENCY | STALL | |||||||||
|---|---|---|---|---|---|---|---|---|---|---|---|---|---|
| OPERATING RANGE |
NOMINAL | SPEED | CURRENT | SPEED | CURRENT | TORQUE | OUTPUT | EFF | CURRENT | TORQUE | |||
| rpm | A | rpm | A | g-cm | mN-m | W | % | A | g-cm | mN-m | |||
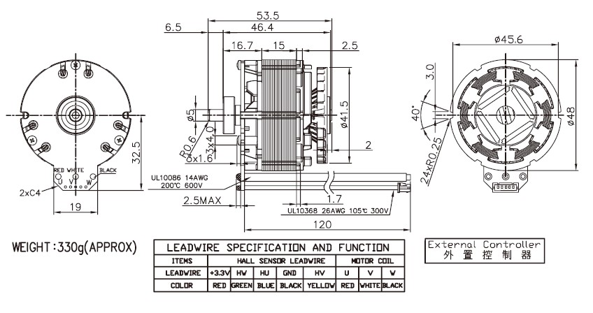
| BL48F15S-18V16K180W-B1X0N | 14.4-21.6V | 18.0V CONSTANT | 16150 | 2.13 | 13966 | 14.37 | 1280 | 125.49 | 183.73 | 78 | 92.37 | 9380 | 919.61 |
| BL48F15S-21.6V21K240W-B1X0N | 14.4-21.6V | 21.6V CONSTANT | 20500 | 2.40 | 18051 | 15.42 | 1300 | 127.45 | 240.99 | 73 | 98.59 | 8730 | 855.88 |

