banner

BLDC2838SBürstenloser Motor /圓型鐵殼

用途: Staubsauger

product_158735143524.jpg

direction_158735143590.jpg

MODEL VOLTAGE NO LOAD AT MAXIMUM EFFICIENCY STALL
OPERATING
RANGE
NOMINAL SPEED CURRENT SPEED CURRENT TORQUE OUTPUT EFF CURRENT TORQUE
rpm A rpm A g-cm mN-m W % A g-cm mN-m
BL2838S-7V35K35W-B1X0N 7.0-24.0 7.0V CONSTANT 35842 1.40 29586 7.78 126.1 12.36 38.31 71 43.62 867.15 84.98
BL2838S-24V30K50W-B1X0N 7.0-24.0 24.0V CONSTANT 30200 0.28 25613 2.90 211.4 20.72 55.61 84 18.57 1552.6 152.15
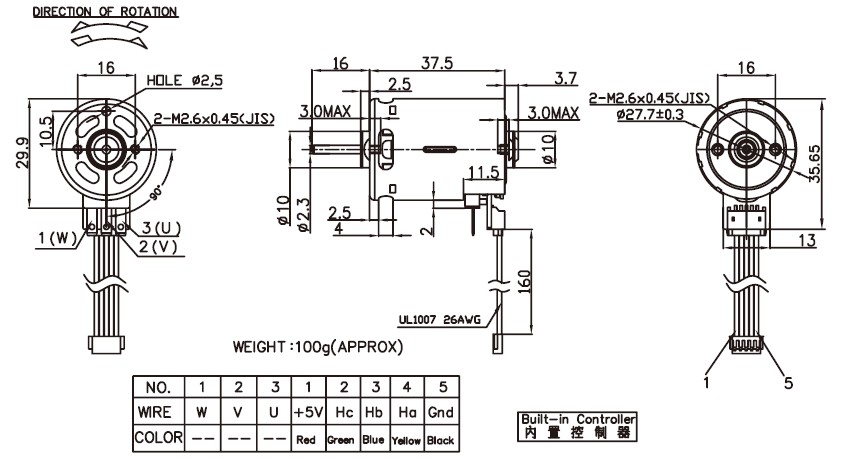
馬達的出軸長度及性能參數,EMC 對策可依客人要求做調整,詳情可詢問相關業務人員。
  • torque_158735143542.jpg
  • torque_158735143593.jpg